Магазин запчастей для бытовой техники - Arlos
Москва
close
Выберите ваш регион
АбаканАлександровАльметьевскАнгарскАрзамасАрмавирАртемАрхангельскАстраханьАчинскБалаковоБалашихаБеларусьБелгородБердскБерезникиБийскБлаговещенскБратскБрянскВеликий НовгородВидноеВладивостокВладикавказВладимирВолгоградВолгодонскВолжскийВологдаВолховВоркутаВоронежВоскресенскВыборгГатчинаГеленджикГрозныйДедовскДербентДзержинскДзержинскийДимитровградДмитровДолгопрудныйДомодедовоДонецкЕвпаторияЕгорьевскЕкатеринбургЕлецЕссентукиЖелезногорскЖелезнодорожныйЖуковскийЗеленоградЗлатоустИвановоИвантеевкаИжевскИркутскИстраЙошкар-ОлаКазаньКалининградКалугаКаменск-УральскийКамышинКаспийскКемеровоКерчьКировКисловодскКлинКовровКоломнаКомсомольск-на-АмуреКопейскКоролёвКостромаКотельникиКрасногорскКраснодарКраснознаменскКрасноярскКурганКурскКызылЛенинск-КузнецкийЛипецкЛобняЛыткариноЛюберцыМагнитогорскМайкопМалаховкаМахачкалаМиассМоскваМурманскМуромМытищиНабережные ЧелныНазраньНальчикНаро-ФоминскНахабиноНаходкаНевинномысскНефтекамскНефтеюганскНижневартовскНижнекамскНижний НовгородНижний ТагилНовокузнецкНовокуйбышевскНовомосковскНовороссийскНовосибирскНовоуральскНовочебоксарскНовочеркасскНовошахтинскНовый УренгойНогинскНорильскНоябрьскОбнинскОдинцовоОктябрьскийОмскОрелОренбургОрехово-ЗуевоОрскПавловский ПосадПензаПервоуральскПермьПетрозаводскПетропавловск-КамчатскийПодольскПрокопьевскПсковПушкиноПятигорскРаменскоеРеутовРостов-на-ДонуРубцовскРыбинскРязаньСакиСалаватСамараСанкт-ПетербургСаранскСаратовСевастопольСеверодвинскСеверскСергиев ПосадСерпуховСимферопольСмоленскСосновый БорСочиСтавропольСтарый ОсколСтерлитамакСтупиноСургутСызраньСыктывкарТаганрогТамбовТверьТихвинТольяттиТомилиноТомскТроицкТулаТюменьУлан-УдэУльяновскУссурийскУсть-ИлимскУфаУхтаФеодосияФрязиноХабаровскХанты-МансийскХасавюртХимкиЧебоксарыЧелябинскЧереповецЧеркесскЧеховЧитаШахтыЩелковоЭлектростальЭлистаЭнгельсЮжно-СахалинскЯкутскЯлтаЯрославль
  • - бесплатно по РФ
    Автоперезвон. Работает по принципу: Вы позвонили на номер, мы сбрасываем звонок и перезваниваем через 3 секунды.
  • - по Москве
  • 8 (925) 663-83-63

Call-центр

пн-вс: 10:00-19:00

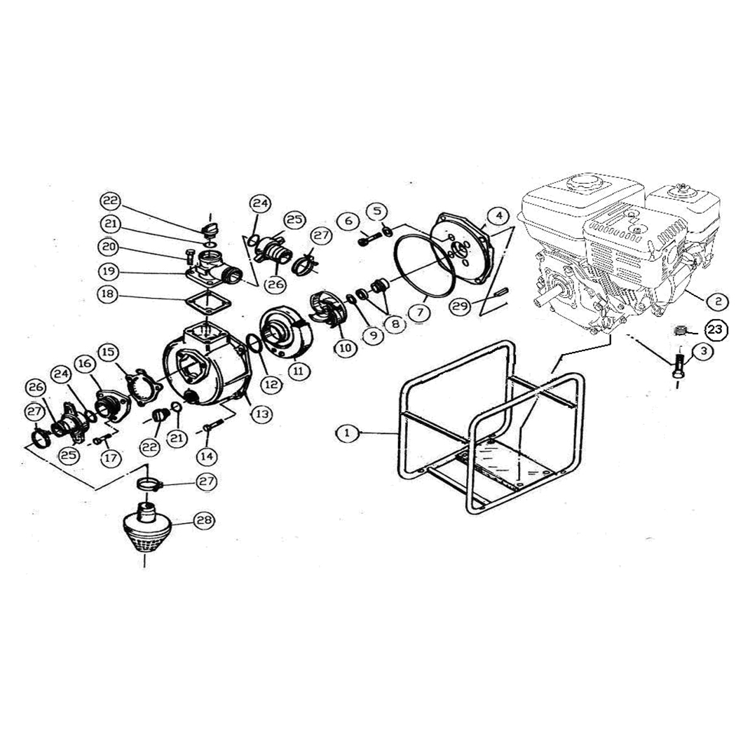
Мотопомпа бензиновая ЗБМП-600

Данная модель имеет несколько схем

NАртикулНазваниеСрок отгрузкиЦенаКупить
б/н UM04-001-005 Шайба-гровер D8 92 р.
б/н N000-005-319 Пластина стальная
б/н N000-005-321 Проставка пластиковая
б/н UM05-007-003 Гайка колпачковая М6
б/н N000-005-318 Фланец дистанционный
б/н UM03-002-002 Болт M8х26 92 р.
б/н N000-005-326 Шпилька M6х10-М6х20 L55
б/н N000-005-316 Опора резиновая
б/н N000-005-317 Шпилька M6х10-М6х25 L63
б/н N000-005-320 Прокладка коническая d38D48h3
б/н N000-005-324 Фильтр заливной горловины бака
01-1 U592-150-084 Пробка слива масла
01-10 U592-250-099 Датчик уровня масла поплавковый 420 р.
01-11 UM03-002-005 Болт M6х18
01-12 U592-250-103 Ось блока регулятора 63 р.
01-14 U592-250-102 Штифт
01-2 U592-150-085 Прокладка сливной пробки
01-3 U592-250-096-W Сальник D41.25xd25x6 (пара) 275 р.
01-4 U009-620-500 Подшипник шариковый 6205 (52х25х15) 744 р.
01-5 U592-250-098 Блок цилиндра 4.711 р.
01-6 U592-250-116 Рычаг регулятора оборотов
01-7 UM04-000-004 Шайба D6 92 р.
01-8 U592-250-115 Шплинт
1 N000-001-461 Рама
02-1 N000-001-696 Крышка-щуп маслозаливной горловины в сборе 70 р.
02-2 N000-001-695 Крышка-щуп маслозаливной горловины
02-3 N000-001-690 Кольцо уплотнительное D20хd14х3 25 р.
02-4 N000-001-691 Крышка картера
02-6 N000-001-693 Прокладка крышки картера 81 р.
02-7 N000-001-694 Штифт установочный
2 N000-001-462 Двигатель внутреннего сгорания
03-1 U592-250-163 Кольцо компрессионное D68 x d63 x H1,5 266 р.
03-10 N000-001-528 Шатун верхняя часть
03-11 N000-001-529 Шатун нижняя часть
03-13 U592-250-156 Шатун в сборе 897 р.
03-14 U592-250-157 Шпонка сегментная 4х7.5х18
03-15 N000-001-533 Шестерня
03-16 N000-001-534 Вал коленчатый
03-17 N000-001-535 Шестерня
03-18 N000-001-536 Коленвал в сборе 3.030 р.
03-2 U592-250-164 Кольца поршневое+маслосъемное (комплект) 478 р.
03-5 U592-250-165 Кольцо маслосъемное в сборе 296 р.
03-6 U592-250-152 Набор поршневых колец 356 р.
03-7 U592-250-154 Кольцо стопорное разрезное
03-8 U592-250-153 Поршень 596 р.
03-9 U592-250-155 Палец поршневой D18х54 146 р.
3 UM03-002-026 Болт M8х43
04-10 N000-001-726 Свеча зажигания F7TC 355 р.
04-10 N000-001-726-2 Свеча зажигания F7TC для газонокосилок 383 р.
04-14 N000-001-730 Прокладка клапанной крышки паронитовая 70 р.
04-15 N000-001-731 Крышка клапанная
04-2 N000-001-718 Трубка сапуна
04-4 N000-001-720 Кожух 577 р.
04-5 N000-001-721 Шпилька М6х110
04-6 U592-250-121 Штифт установочный
04-7 U592-250-130 Прокладка головки цилиндра металлоасбестовая 235 р.
04-8 U592-250-129 Головка блока цилиндра
04-9 U592-150-028 Шпилька М8х37
4 N000-001-464 Крышка насоса
05-10 U592-250-135 Распредвал 1.774 р.
05-11 U592-250-132 Клапан выпускной 596 р.
05-12 U592-250-131 Клапан впускной 476 р.
05-13 U592-250-137 Пружина клапана 146 р.
05-14 U592-250-139 Тарелка впускного клапана 85 р.
05-15 U592-250-138 Тарелка выпускного клапана 85 р.
05-16 U592-250-141 Подпятник 56 р.
05-2 N000-001-733 Гайка регулировочная М6х0.75
05-3 U592-250-147 Коромысло 190 р.
05-4 N000-001-735 Шпилька M6х0.75-М8
05-5 N000-001-556 Коромысло клапана в сборе
05-6 U592-250-149 Направляющая штанг 70 р.
05-7 U592-250-150-W Штанга толкателя (пара) 146 р.
05-8 U592-250-133-W Толкатель (пара) 296 р.
05-9 N000-001-560 Пружина
5 N000-001-645 Шайба пластиковая d8D16h2
06-10 N000-001-576 Храповик
06-11 N000-001-577 Пружина сжатия
06-12 N000-001-578 Направляющая храпового механизма
06-13 N000-001-579 Болт специальный
06-14 N000-001-580 Шкив стартера
06-15 N000-001-581 Шнур стартера
06-16 N000-001-582 Рукоятка стартера
06-17 U592-250-089-C Стартер ручной в сборе D175x36 1.498 р.
06-19 U592-150-159 Блок электронный датчика уровня 325 р.
06-2 N000-001-749 Пластина стальная
06-4 N000-001-751 Кожух маховика 927 р.
06-6 V000-000-110 Выключатель зажигания 205 р.
06-7 N000-001-573 Корпус стартера
06-8 N000-001-574 Пружина кручения
06-9 N000-001-575 Пружина кручения
07-10 U592-250-113 Пружина регулятора оборотов 42 р.
07-11 U592-250-112 Пружина дроссельной заслонки 42 р.
07-12 N000-001-777 Тяга дроссельной заслонки 61 р.
07-13 U592-250-118 Болт M6 специальный
07-14 N000-001-779 Кулиса регулятора оборотов 99 р.
07-15 UM05-000-003 Гайка M6 126 р.
07-16 N000-001-781 Узел настройки оборотов 176 р.
07-2 N000-001-587 Рычаг
07-3 N000-001-588 Шайба 92 р.
07-4 N000-001-589 Рукоятка
07-5 N000-001-590 Шайба 92 р.
07-7 N000-001-592 Пружина
07-8 N000-001-593 Пластина
7 N000-001-467 Кольцо уплотнительное D224хd218х3 250 р.
08-2 N000-001-603 Провод низкого напряжения
08-3 V000-000-105 Магнето H=68 h=58 d=28.5 L=170 826 р.
08-4 N000-001-604 Колпачек свечи зажигания
08-5 V000-000-112 Магнето H=68 h=58 d=31.5 L=170 897 р.
08-6 U592-250-091 Гайка М14х1.5 с прессшайбой
08-7 U592-250-092 Чашка-храповик 1.301 р.
08-8 N000-001-787 Крыльчатка 232 р.
08-9 N000-001-788 Маховик 1.314 р.
8 N000-001-648 Сальник керамический в сборе D35xd20.5xН5 N000-001-648 для ЗБМП-600, ЗБМП-1000 902 р.
09-1 UM05-006-001 Гайка-барашек M6 92 р.
09-2 N000-001-790 Крышка воздушного фильтра 386 р.
09-3 N000-001-791 Элемент фильтрующий 125x92x28 ППУ с отверстием в центре 160 р.
09-4 N000-001-792 Прокладка D44хd32хh4.5
09-5 UM05-005-003 Гайка М6 (с шайбой с насечкой)
09-6 N000-001-794 Корпус воздушного фильтра 445 р.
09-7 UM02-000-018 Саморез 4x12 PH2 92 р.
09-8 N000-001-796 Пластина пластиковая
10 N000-001-470 Колесо рабочее D118x42 1.137 р.
10-1 UM01-000-064 Винт M5x11 PH2 #F 92 р.
10-2 N000-001-800 Кожух глушителя
10-3 N000-001-621 Искрогаситель
10-5 N000-001-803 Глушитель 1.046 р.
10-7 U592-250-042 Прокладка глушителя металлоасбестовая 115 р.
11 N000-001-471 Аппарат направляющий со спиральным отводами 2.538 р.
11-1 U592-150-038 Хомут топливопровода
11-10 N000-001-815 Бензобак 4.436 р.
11-2 N000-001-807 Топливопровод
11-3 UM03-002-003 Болт M6х25
11-4 N000-001-809 Штуцер
11-5 U592-150-061 Прокладка резиновая d10D14h3
11-7 N000-001-812 Втулка заливной горловины бака 56 р.
11-8 N000-001-813 Прокладка крышки топливного бака
11-9 N000-001-814 Крышка топливного бака 190 р.
12 N000-001-472 Кольцо уплотнительное D60хd48х6 181 р.
12-1 U592-250-128 Прокладка теплоизолятора паронитовая 146 р.
12-2 U592-250-127 Теплоизолятор 251 р.
12-3 U592-250-126 Прокладка карбюратора паронитовая 146 р.
12-4 N000-001-639 Карбюратор 1.888 р.
12-5 N000-001-820 Прокладка карбюратора стальная обрезиненная 25 р.
13 N000-001-473 Корпус насоса 4.268 р.
15 N000-001-475 Клапан обратный 445 р.
16 N000-001-476 Фланец патрубка всасывающего 284 р.
17 UM03-002-015 Болт M8х32
18 N000-001-478 Прокладка
19 N000-001-479 Патрубок нагнетающий
21 N000-001-661 Кольцо уплотнительное D26хd33х3.5 56 р.
22 N000-001-662 Пробка сливная-заливная 92 р.
23 UM05-005-002 Гайка М8
24 N000-001-484 Прокладка d45D57h3
25 N000-001-485 Гайка накидная 245 р.
26 N000-001-486 Штуцер елочка 234 р.
27 N000-001-487 Хомут
28 N000-001-488 Фильтр воды сетчатый входной 325 р.
Найдено товаров: 157
1
▲ Наверх
0
8 (925) 663-83-63

Call-центр

пн-вс: 10:00-19:00

НАЙТИ ПО МОДЕЛИ
Введите номер заказа
Введите номер своего заказа, что бы узнать его текущий статус.
Что бы получить доступ к расширенным функциям, пройдите не сложную регистрацию. Зарегистрироваться